|
|
 |
|
 |
 |
 |
|
|
3.3.2.1 Splošne
lastnosti sestavljenih tokokrogov
|
 |
|
|
 |
 |
|
|
|
|
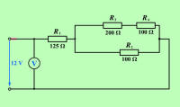
Sestavimo splošni primer sestavljenega
električnega tokokroga, ki ga prikazuje
slika 3.3.2.1.1, in
ugotovimo njegove lastnosti na osnovi merjenja napetosti in
tokov! |
|
|
|
|
|
|
|

Slika 3.3.2.1.1: Ugotavljanje lastnosti sestavljene vezave
porabnikov |
|
|
|
|
|
|
|
Rezultati meritev, računi in ugotovitve: |
|
|
|
|
|
|
|
|
I | = |
U
 R |
|
| = |
7,5 V
 125
Ω |
|
| = | 60mA |
|
_ | Ohmov |
|
zakon |
|
|
|
|
60 mA = 15 mA + 45 mA
_ Zakon tokovnega vozlišča |
|
|
|
15 mA
 45 mA |
| = |
200 Ω + 100 Ω

100 Ω |
|
| _ |
Pravilo |
| deljenja |
|
tokov |
|
|
|
|
12 V = 7,5
V + 4,5 V
_
Zakon napetostnih zank 12 V =
7,5 V + 3 V + 1,5 V
4 V = 3 V + 1,5 V |
|
|
|
3 V

1,5 V |
| = |
200 Ω

100 Ω |
|
|
_ | Pravilo |
|
deljenja |
| napetosti |
|
|
|
|
|
|
|
 |
|
|
|
|
|
|
|
|
|
|
► |
Električnim tokokrogom s sestavljeno
vezavo električnih porabnikov ali elementov in izvorov pravimo
sestavljeni električni tokokrogi. |
 |
 |
 |
|
|
|
|
|
|
|
|
Zaradi zelo velikega števila možnih izvedb
sestavljenih vezav v praksi, je kaj več oziroma bolj podrobno glede
lastnosti tovrstnih tokokrogov, na tej ravni, težko reči. Zato bo
najbolje, da jih od-krivamo in spoznavamo kar na konkretnih praktičnih
primerih, kar nekaj pa jih bomo obdelali že v okviru tega poglavja. |
|
|
|
|
|
|
|
|
|
|
|
|
|
|
   |
|
|
|
|
|
|
|
|
|
|
|
|
|
|
|
|
|
|
|
|
|
|
|
|
|
|
|
|
|
|
|
|
|
|
|
|
|
|
|
|
|
|
|
|
|
|
|
|
|
|
|
|
|
|
|
|
|
|
|
|
|
|
|
|
|
|
|
|
|
|
|