3.2.2.3 RAČUNANJE KOLIČIN V ZAPOREDNEM TOKOKROGU

KAZALO

   

 

3.2.2.3.3 Delitev napetosti

     
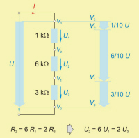
►   Zaporedna vezava porabnikov je delilnik napetosti.
Zaporedno vezani porabniki delijo napetost v premem sorazmerju z upornostmi porabnikov  

HITRE POVEZAVE

Zaporedna vezava linearnih bremen
Premo sorazmerje

Ohmov zakon

 

SLIKA

Slika 3.2.2.3.3.1: Delitev napetosti na zaporedne porabnike različnih upornosti

 
       
 
 
U1

U2
=
R1

R2
   
       
  Primer deljenja napetosti (slika 3.2.2.4.1).    
       
 
►   Na zaporedno vezanih porabnikih z različnimi upornostmi je na porabniku z najmanjšo upornostjo najmanjša napetost.
Največji del napetosti izvora je v zaporedni vezavi vedno na porabniku z največjo upornostjo.  

 
       
Primer 3.2.2.3.3.1:
 
       
  Nalogo lahko rešimo z Ohmovim zakonom ali s sklepanjem.